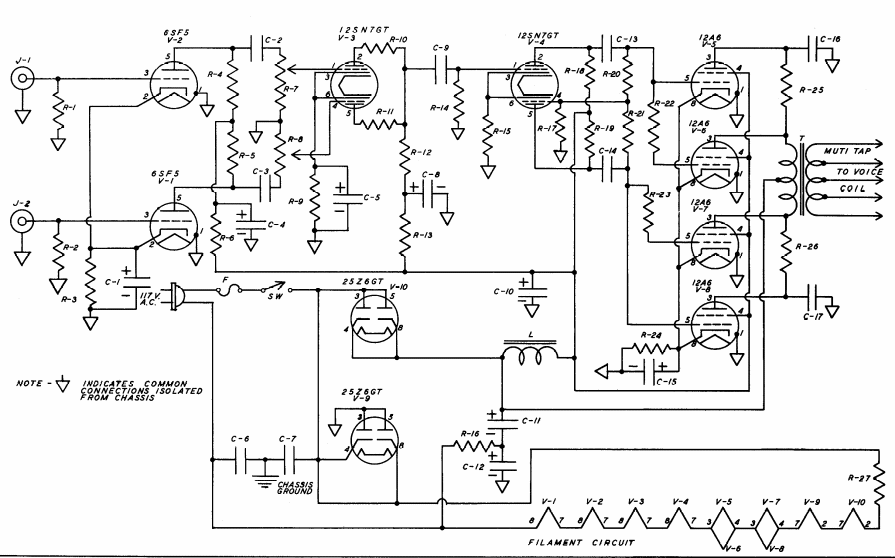
This 10-tube amplifier with 15 W of power was found in American documentation from 1947. The circuit uses 4 output tubes in parallel and in push-pull. The circuit is powered directly without using a transformer at the power source.
This 10-tube amplifier with 15 W of power was found in American documentation from 1947. The circuit uses 4 output tubes in parallel and in push-pull. The circuit is powered directly without using a transformer at the power source.