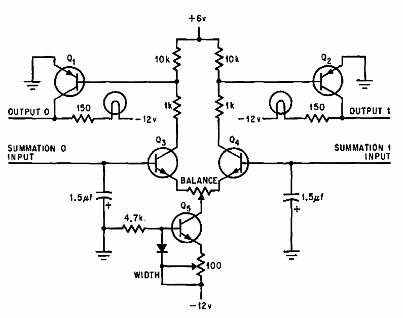
This circuit compares the voltages of the two inputs giving as output 0 or 1 according to the output that has higher voltage. The circuit has a definition of 0.05 V. We found it in a 1967 documentation. General purpose transistors can be used.
This circuit compares the voltages of the two inputs giving as output 0 or 1 according to the output that has higher voltage. The circuit has a definition of 0.05 V. We found it in a 1967 documentation. General purpose transistors can be used.