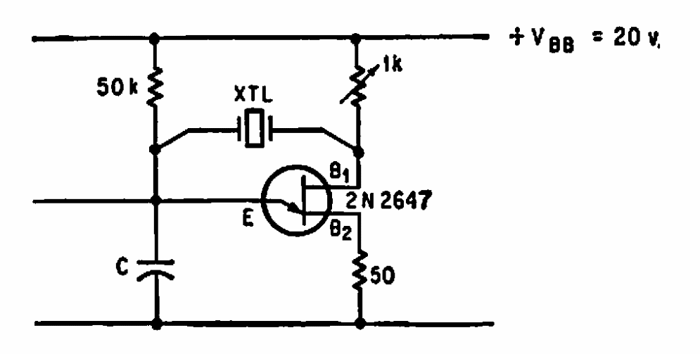
This circuit uses a capacitor that depends on the frequency of the crystal. We found it in a 1967 documentation. The maximum frequency is around 100 kHz.
We found this circuit in Popular Electronics from 1992. Time is given by C1. The circuit provides an...
A Popular Electronics from the 90's suggests this circuit that is based on a low voltage...
The frequency of a 555 oscillator depends on the capacitance of capacitor C. We can take advantage of...