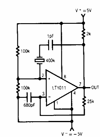
This Linear Technology circuit was found in a 1980s documentation. The circuit can swing up to a few hundred kHz and requires a symmetrical power supply.

This Linear Technology circuit was found in a 1980s documentation. The circuit can swing up to a few hundred kHz and requires a symmetrical power supply.
