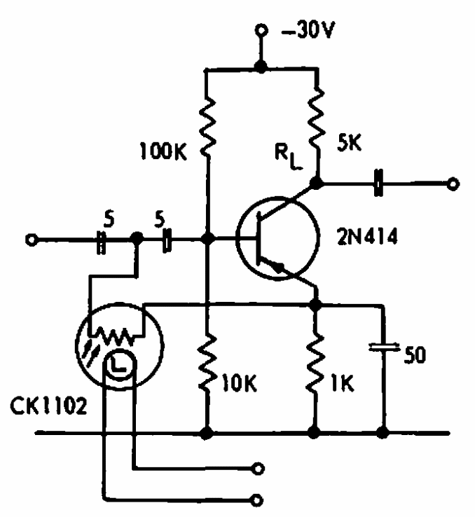
This simple circuit controls the signal amplitude through a photoresistor optical coupler. The circuit is from a 1967 Raytheon documentation. The transistor can be a BC548 and the working voltage is smaller.
This simple circuit controls the signal amplitude through a photoresistor optical coupler. The circuit is from a 1967 Raytheon documentation. The transistor can be a BC548 and the working voltage is smaller.