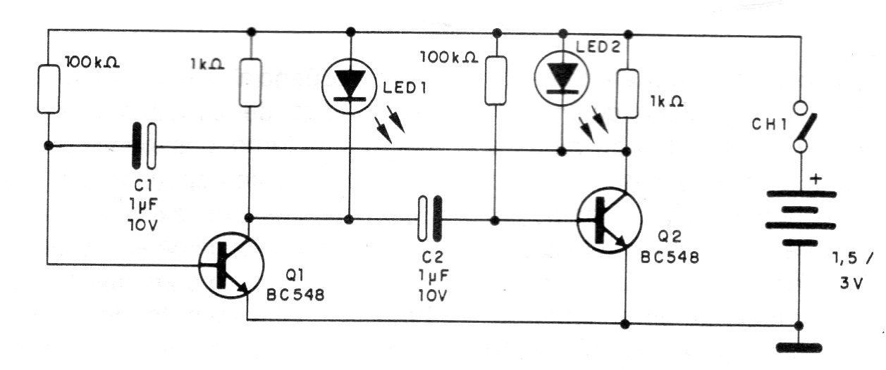
This simple flasher was originally created for use on bicycles (1995). However, it can be used in other applications, for example, toys, decoration, and robots. The supply is made with voltages of 1.5 to 3 V from one or two batteries. With a battery it can be difficult to oscillate given the minimum voltage required by the LEDs.




