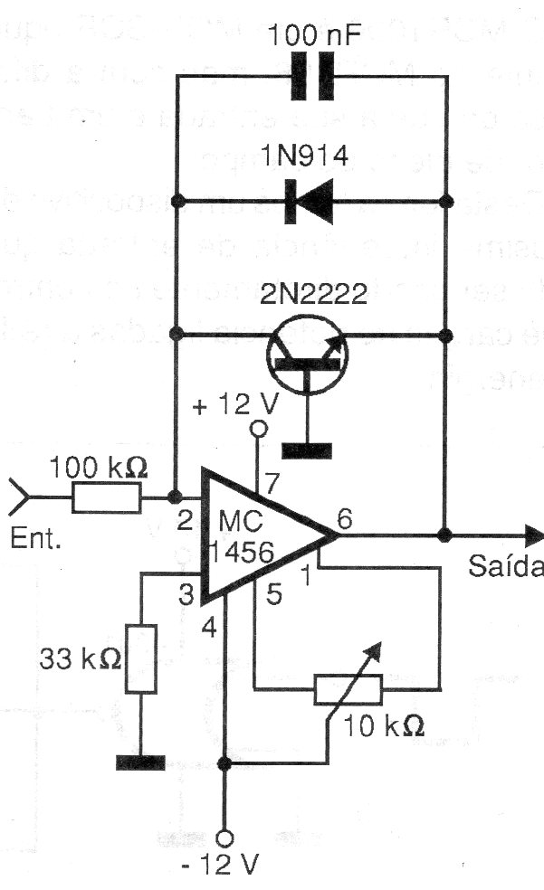
This circuit appears in this section in configurations that use other op amps. This is from 1999 and is based on an amplifier equivalent to 741. The circuit must be powered by a symmetrical source and the trimpot makes the adjustment null.

This circuit appears in this section in configurations that use other op amps. This is from 1999 and is based on an amplifier equivalent to 741. The circuit must be powered by a symmetrical source and the trimpot makes the adjustment null.
