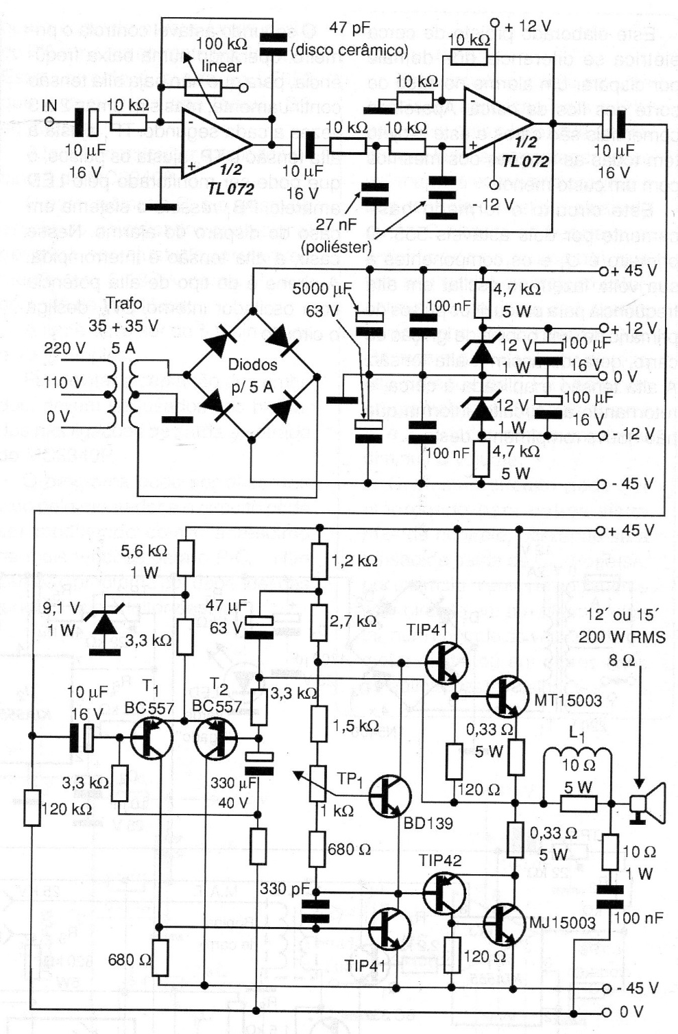
The circuit presented is quite interesting due to the low-pass filter using the integrated circuit TL072 (Double Operational Amplifier). However, the power amplifier with common transistors can easily be replaced by more efficient and more modern configurations. Among them, we highlight the LM3886 integrated circuit that we have already described in articles in this magazine, which consists of a 60 W integrated amplifier that in the bridge configuration can provide 240 W and that would be ideal for this type of application




