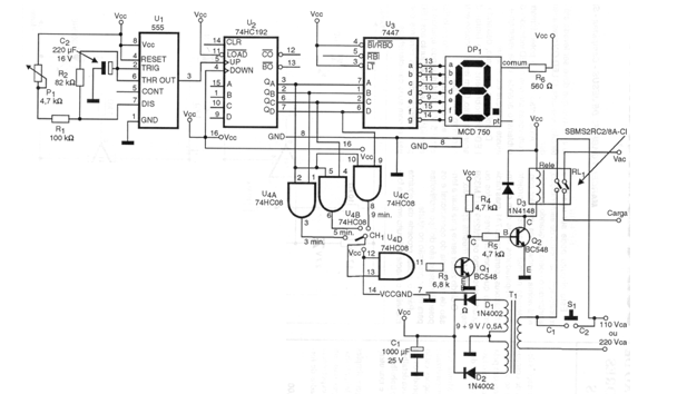
This circuit was found in a 1998 documentation. It consists of a timer with a 1-digit indicator for time intervals up to 99 minutes. The washer is turned off automatically due to the action of the relay. The circuit must be powered with 5 V as it uses TTL integrated circuits.




