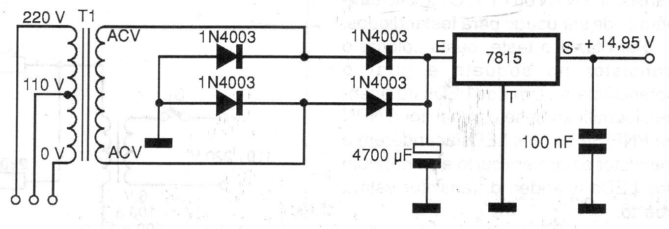
This simple power supply is based on the 7815 integrated circuit, which must be mounted on a heat sink. The diodes can also be 1N4002 or 1N4004 and the transformer has 12 + 12 V or 15 + 15 V x 1 A.
This simple power supply is based on the 7815 integrated circuit, which must be mounted on a heat sink. The diodes can also be 1N4002 or 1N4004 and the transformer has 12 + 12 V or 15 + 15 V x 1 A.