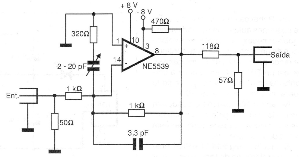
This circuit is based on an operational amplifier that is uncommon today, but that can reach the UHF range and that has its highest performance around 45 MHz. The circuit is from 1999 and must be powered by a symmetrical source.
This circuit is based on an operational amplifier that is uncommon today, but that can reach the UHF range and that has its highest performance around 45 MHz. The circuit is from 1999 and must be powered by a symmetrical source.