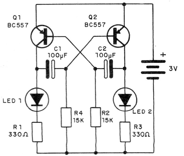
This conventional LED flasher circuit has a configurable multivibrator configuration with PNP transistors. The frequency is given by the capacitors that can be changed. The circuit works with voltages from 3 to 9 V and consumption is low.
This conventional LED flasher circuit has a configurable multivibrator configuration with PNP transistors. The frequency is given by the capacitors that can be changed. The circuit works with voltages from 3 to 9 V and consumption is low.