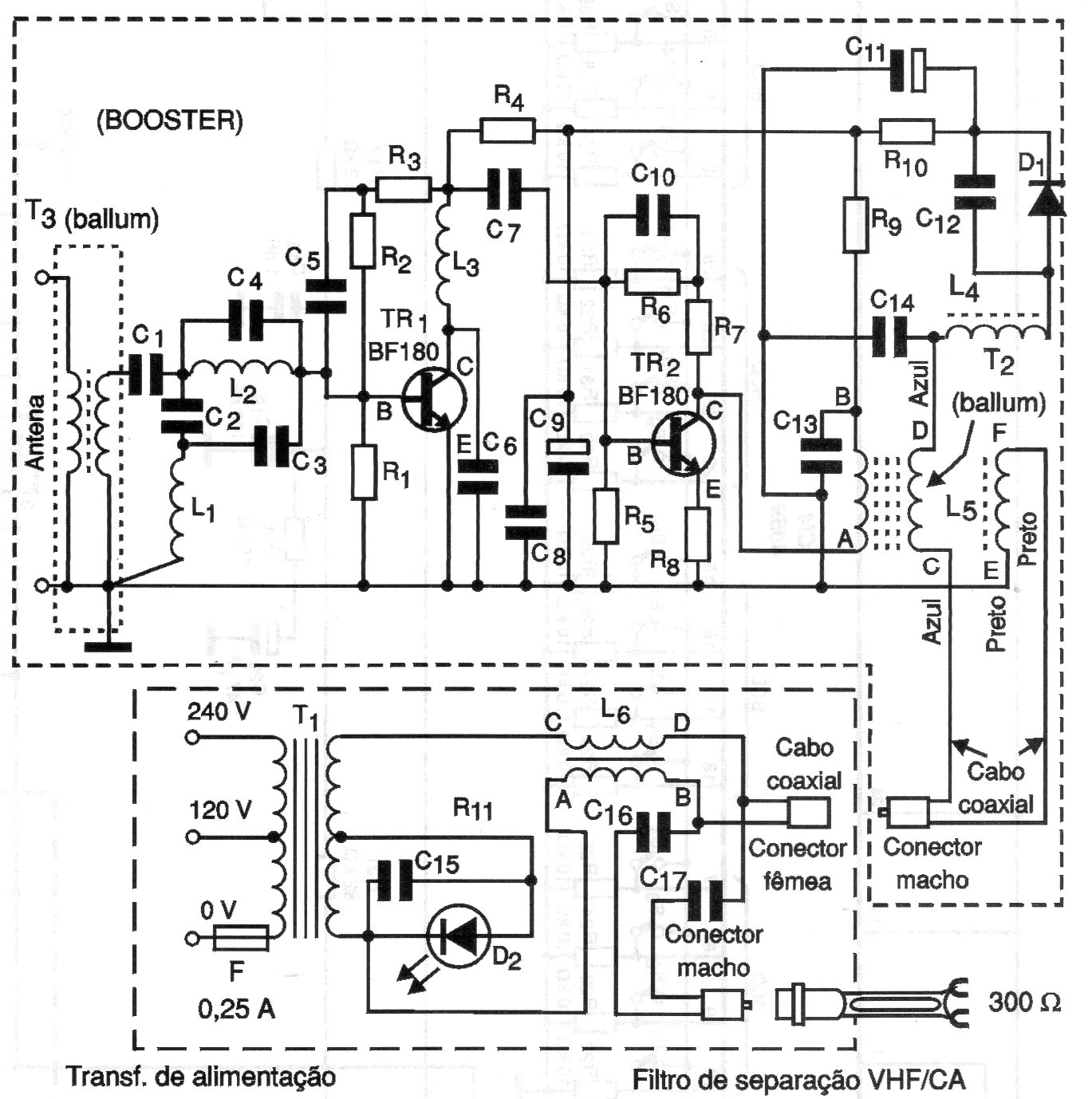
This circuit is from a 2001 publication. The balun transformers are of the commercial type for TV and the coils consist of 10 turns of wire 28 in ferrite rod. The circuit has a source that feeds the circuit through the cable itself, since it must be close to the antenna.




