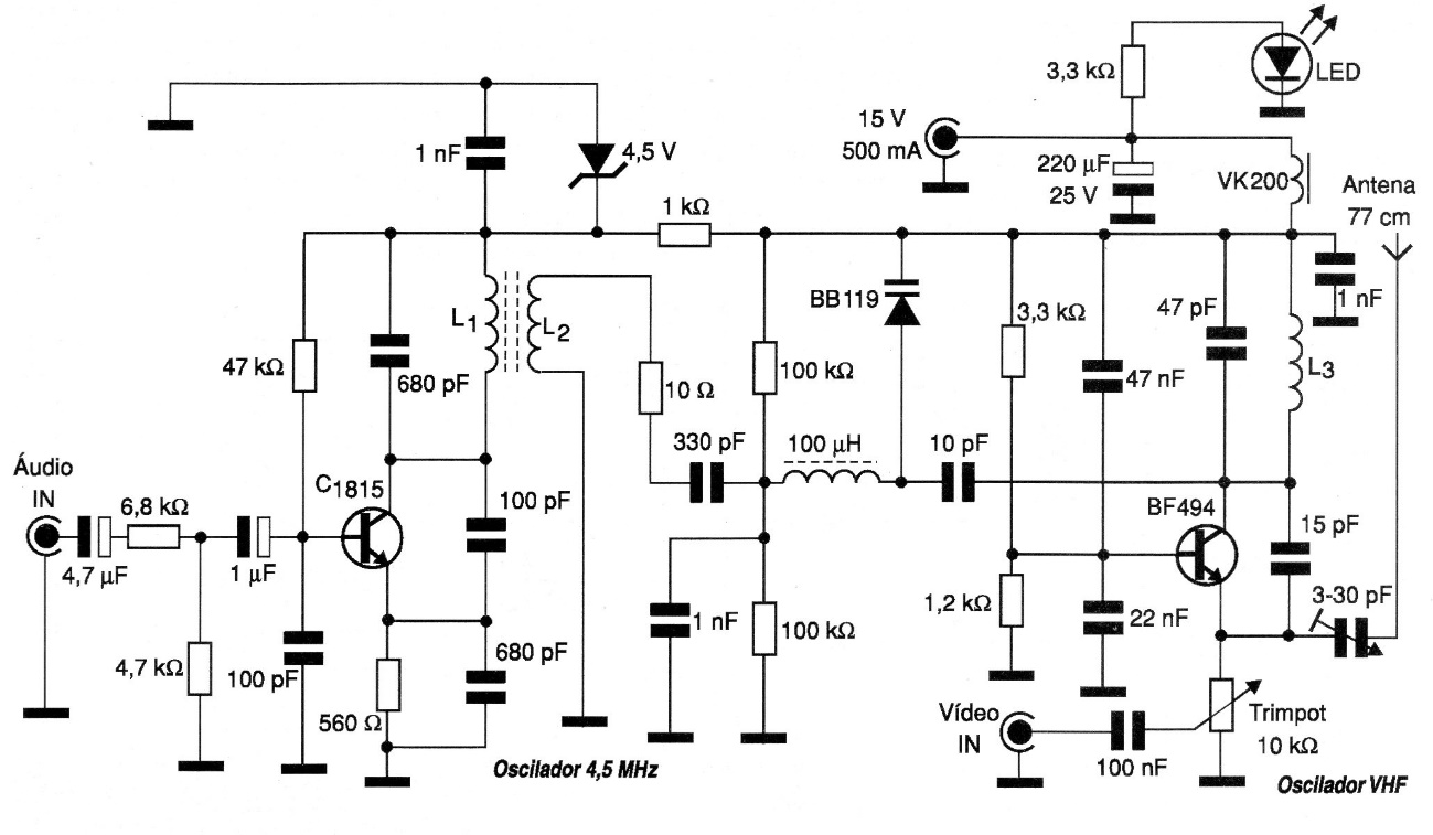
We found this circuit in a 2008 documentation. It transmits composite video and audio signals to an analog receiver operating in the VHF range, channels 2 to 7. The circuit has a range of a few tens of meters and can be used in a monitoring or security with a camera of the type that provides the necessary signal. L1 has 38 turns of wire 30 to 32 in a 3.5 mm diameter FI transformer core. L2 has 8 turns of the same wire over L1. L3 has 4 turns of wire 28 in the form of 0.5 cm with adjustable core.




