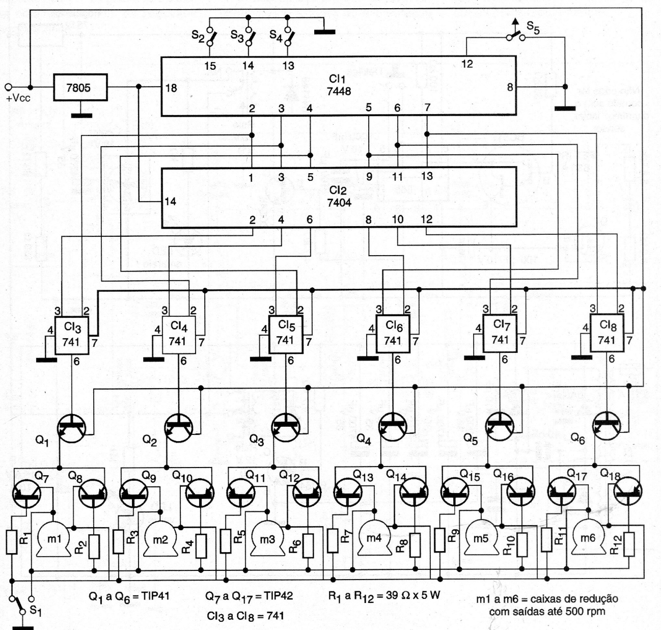
The idea of this automation can be extended to other applications that involve the control of direct current motors from logic inputs. It would be a good shield for microcontrollers with few changes. Switches S2, S3 and S4 determine which motor will be selected using logic. S1 establishes the direction of rotation of the motor. In a shield or robotic application, the control keys can be replaced by sensors and the type of drive as well.




