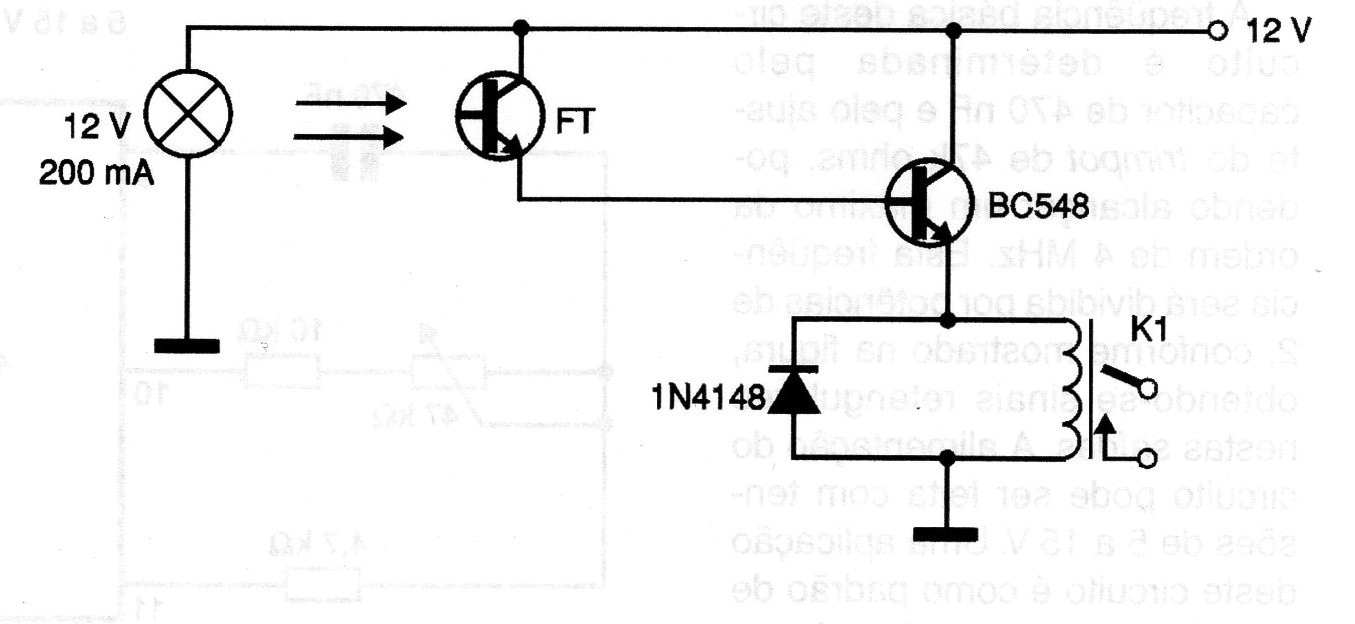
This optical coupler for short distances is powered by 12 V which is the voltage of the lamp and the relay. The circuit can also use emitting LEDs and the phototransistor can be of any type.
We found this circuit with an operational transconductance amplifier in the Motorola Linear...
Originally the circuit in the figure is indicated by National for the control of an electronic car injection...
This small two-transistor amplifier was found in the April 1994 issue of Electronics Now magazine. This...