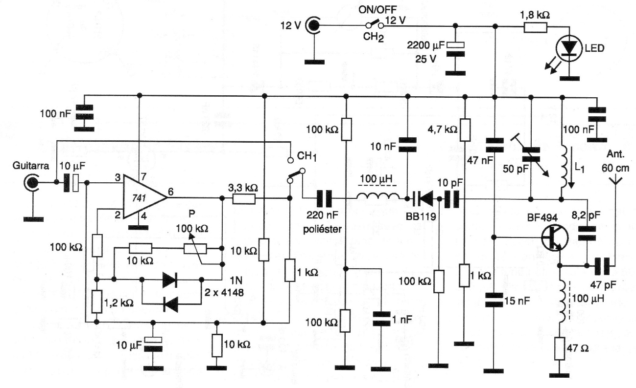
In addition to transmitting the signals from a guitar to an FM receiver, which can be connected to an amplifier, this circuit distorts the signal with a special sound effect. L1 consists of 4 turns of wire 22 to 26 in the form of 1 cm without core. Be careful with the signal trails to be taken so that no noise occurs.




