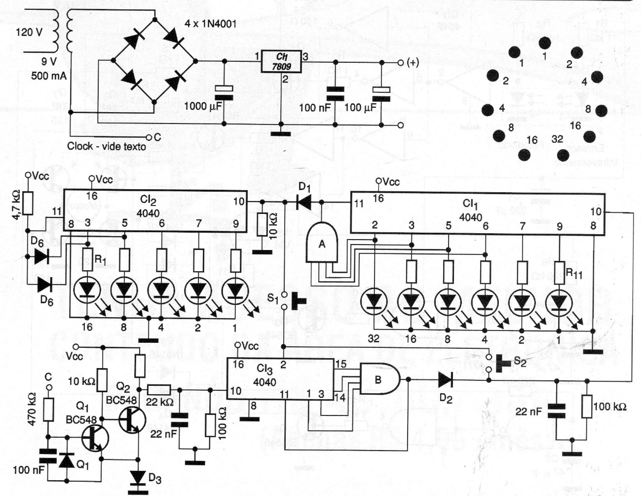
It is an ideal assembly to be implemented as work by students of digital electronics courses, as it explores several important configurations studied in these courses. In addition, it helps the assembler to get used to the reading of binary values, since instead of a common display we have the digital indication through LEDs.




