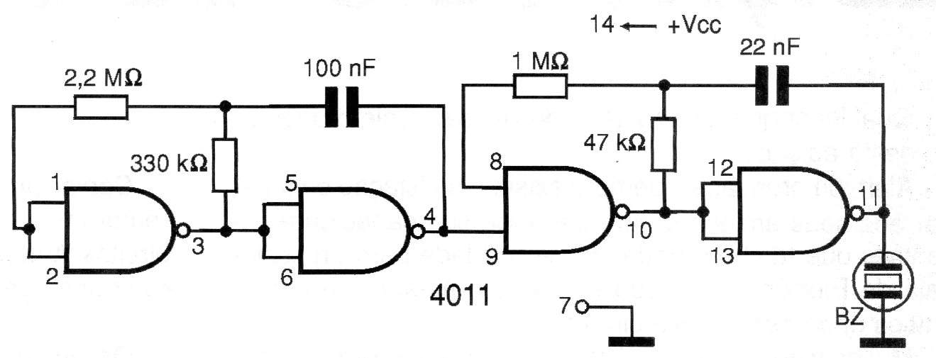
This configuration has already been used several times in many of our projects and can be found in this section in other ways. The circuit is from 2000 documentation and the power supply on pins 14 and 7 can be made with voltages from 3 to 12 V.
This configuration has already been used several times in many of our projects and can be found in this section in other ways. The circuit is from 2000 documentation and the power supply on pins 14 and 7 can be made with voltages from 3 to 12 V.