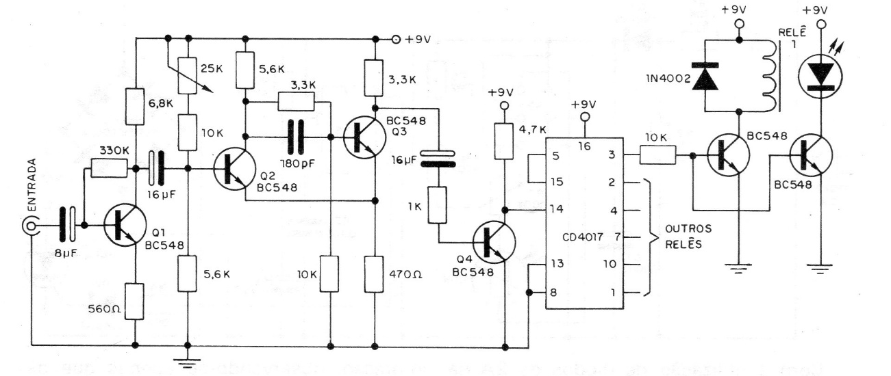
We found this circuit in a 1982 publication, but all the components used are still common in our market. Relays must be 6 or 12 V depending on the power supply, since the 9 V types indicated are no longer common.
We found this circuit in a 1982 publication, but all the components used are still common in our market. Relays must be 6 or 12 V depending on the power supply, since the 9 V types indicated are no longer common.