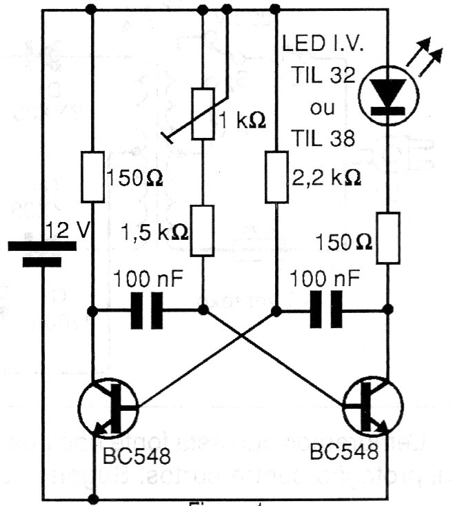
This circuit is for the system that has the receiver CB17134E. The emitting LED must be installed in a tube with a lens, for greater directivity and range. The circuit is adjusted in a trimpot and can be powered by a 12 V battery of the type used in commercial remote controls.




