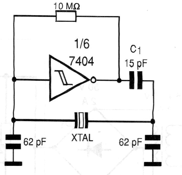
This oscillator can be found in other articles on the site. This is from a 4 MHz documentation, remembering that the power must be powered by a voltage of 5 V. The signal is obtained at the output pin of the inverter and is square. Other frequencies crystals can be used.




