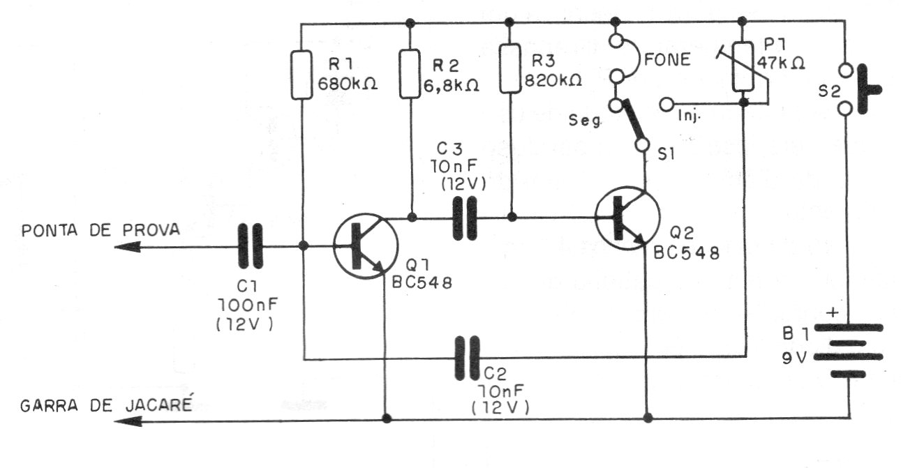
This simple configuration can be found in other articles on this site. The phone used must be high impedance magnetic or a crystal capsule with a 4k7 resistor in parallel. The circuit is powered by a 9 V battery and the switch switches the function to injector with the frequency set in P1.




