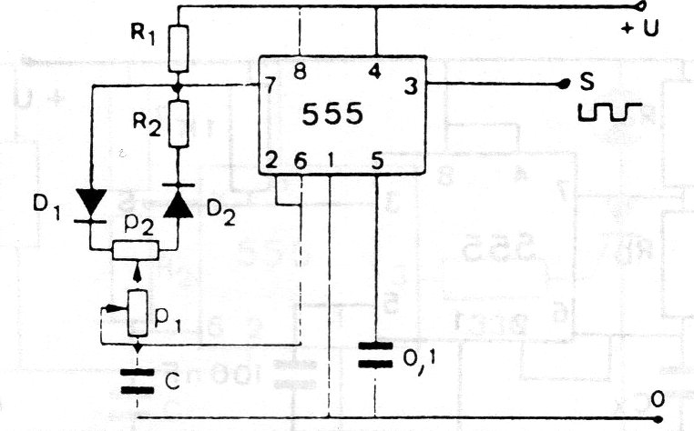
The frequency range of this generator depends on C which can have values between 1 nF and 1 uF. Potentiometer P1 is 10k and P2 is 1M. The diodes can be 1N4148 and R1 / R2 10 k ohms. The supply can be done with voltages from 5 to 15 V.
Infrared Pass Monitor (CB17251E)
This circuit is from 2001 documentation. It consists of a 4-digit pass counter using CMOS technology. The circuit has its own power supply, and the sensor is a phototransistor. The transmitter is an oscillator with the 555 and for it there are also several options on the website.





