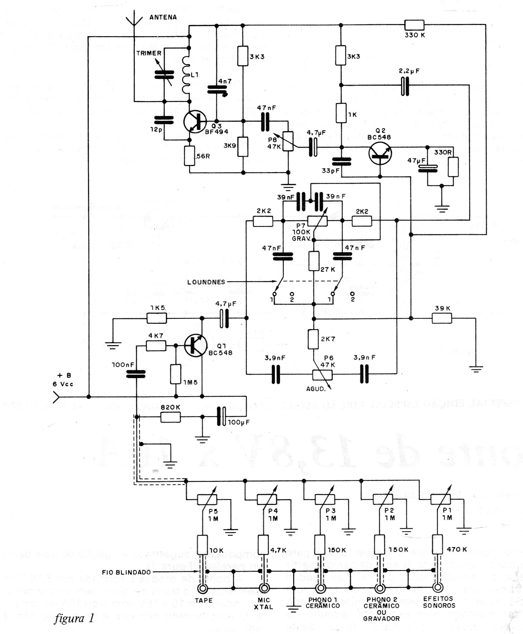
This low power circuit was found in a 1986 documentation. It includes tone controls, mixer, and good gain preamp. The coil has 4 turns of wire 22 to 26 in the form of 1 cm without core. The supply is made with 6 to 9 V of source with excellent filtration.




