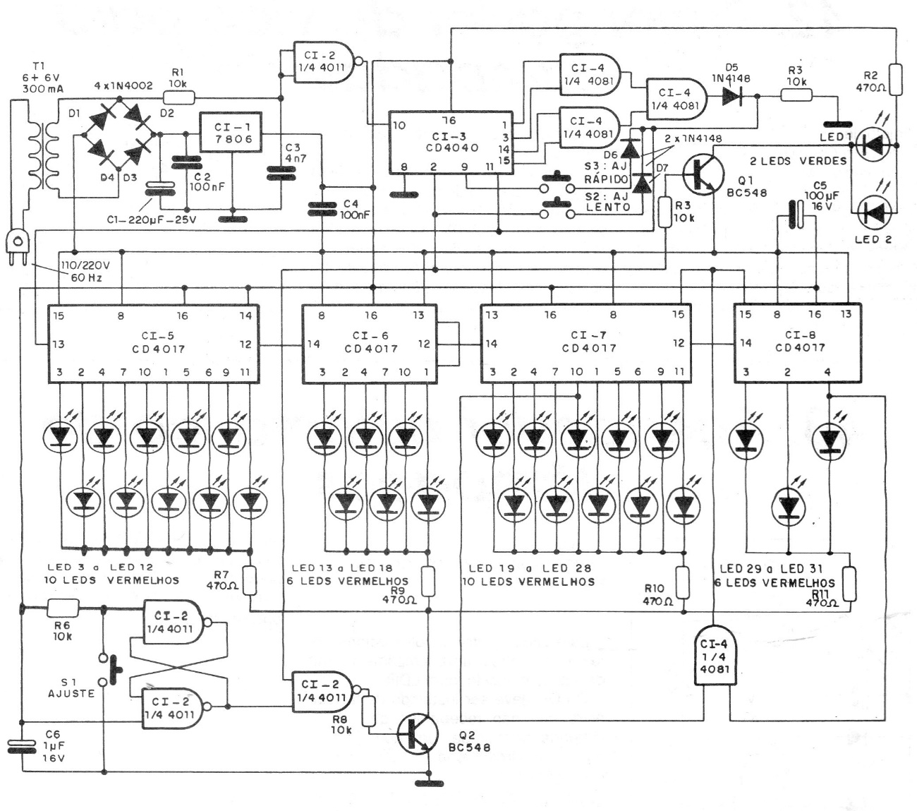
This 1990 circuit uses LEDs on a display with individual LEDs that form the hours and minutes. The circuit is synchronized by the frequency of the power grid, which guarantees good accuracy. The components used are CMOS yet easy to find in the specialized market. In the figure given we have an idea of the display.




