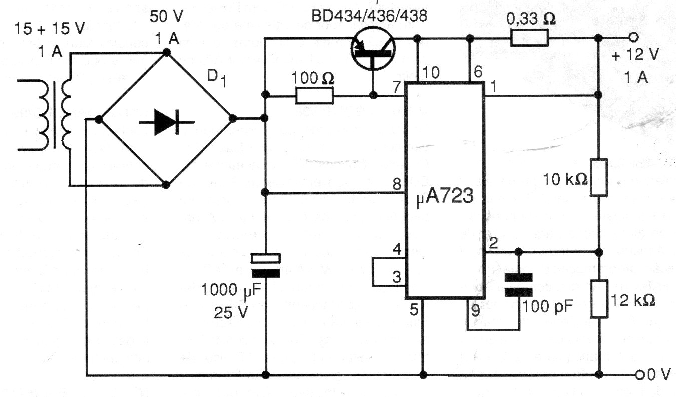
This power supply is based on the 723 integrated circuit, which is no longer very common today. The transistor must have a heatsink and the bridge can be formed by diodes 1N4002 or equivalent.
We found this high gain circuit with the LM381 preamplifier in a Radio Electronics from February 1990....
We can produce pulses controlled through this circuit that can function as a shield if powered by a...
If mounted with SMD components, this transmitter will be so small that it can be installed inside a...