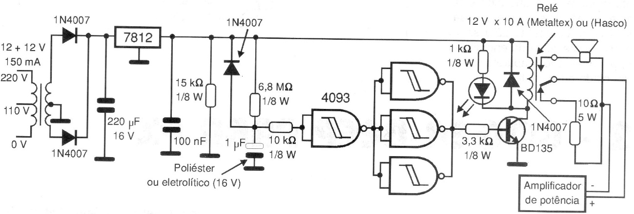
This circuit, found in a 1999 documentation, prevents the speaker from being connected as soon as the amplifier is turned on, thus avoiding current spikes that could damage it. The delay is given by the 1 uF capacitor. The relay must have contacts according to the peak current of the amplifier, normally in the order of 10 A.




