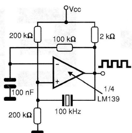
This is one of the possible configurations using the LM139, 239 or 339 voltage comparators. The circuit does not need a symmetrical source and the maximum frequency is around a few megahertz.

This is one of the possible configurations using the LM139, 239 or 339 voltage comparators. The circuit does not need a symmetrical source and the maximum frequency is around a few megahertz.
