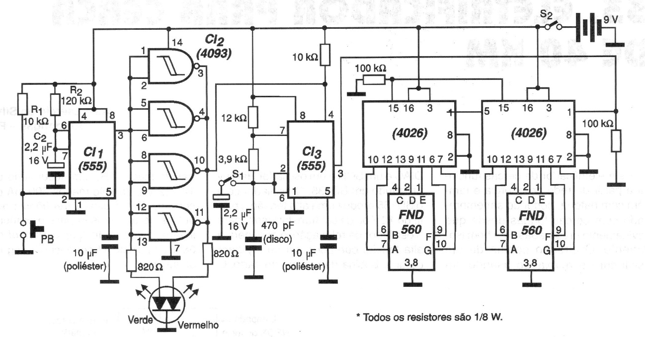
This 2001 CMOS digital circuit draws numbers from 00 to 99 and can be expanded. However, it does not have the ability to know when a number has already been drawn. The circuit uses common cathode displays and is powered by a 6 V battery.
This 2001 CMOS digital circuit draws numbers from 00 to 99 and can be expanded. However, it does not have the ability to know when a number has already been drawn. The circuit uses common cathode displays and is powered by a 6 V battery.