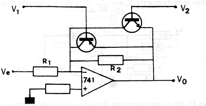
This limiting circuit with an operational amplifier has an adjustable cut-off point and can use equivalent operational amplifiers. Transistors are general-purpose and the power supply must be symmetrical with voltage according to the application.
This limiting circuit with an operational amplifier has an adjustable cut-off point and can use equivalent operational amplifiers. Transistors are general-purpose and the power supply must be symmetrical with voltage according to the application.