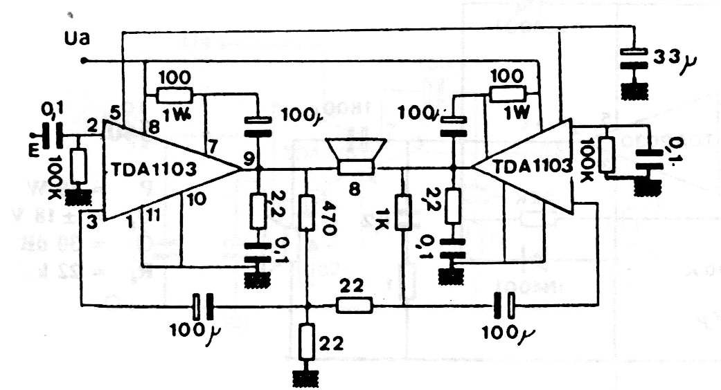
This is a Philips commercial circuit from the 1980s. The circuit must be powered by 28 V and its gain is 40dB. The input resistance is 100 k ohms. The integrated circuit must have a good heat sink.
This is a Philips commercial circuit from the 1980s. The circuit must be powered by 28 V and its gain is 40dB. The input resistance is 100 k ohms. The integrated circuit must have a good heat sink.