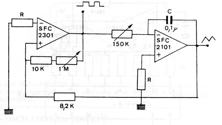
The operational ones used in this circuit are not very common today, but the same circuit can be implemented with more modern operational ones. The resistor R determines the frequency together with C and the supply must be made with a symmetrical source.




