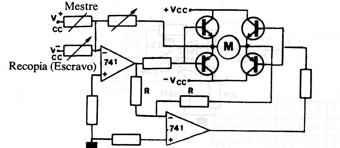
This is the basic circuit of a servomotor found in a manual of linear integrated circuits from the 1980s. Integrated circuits admit equivalents and the source must be symmetrical according to the application. The transistors are of types according to the motor, for example, BD135 and BD136 for currents up to 500 mA.




