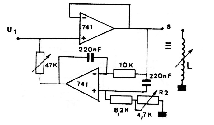
This circuit simulates an inductance that depends on the values of the components used, but that can be varied over a wide range of values. Operational Amplifiers must have symmetrical fonts and equivalent types can be used.
This circuit simulates an inductance that depends on the values of the components used, but that can be varied over a wide range of values. Operational Amplifiers must have symmetrical fonts and equivalent types can be used.