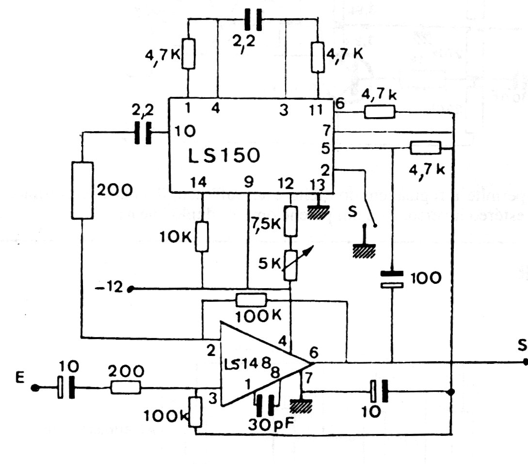
This volume compressor uses unusual components today. The circuit was found in documentation from the 1980s. The circuit is for audio signals. The LS150 is a high-performance operational amplifier.
We found this high gain circuit with the LM381 preamplifier in a Radio Electronics from February 1990....
We can produce pulses controlled through this circuit that can function as a shield if powered by a...
If mounted with SMD components, this transmitter will be so small that it can be installed inside a...