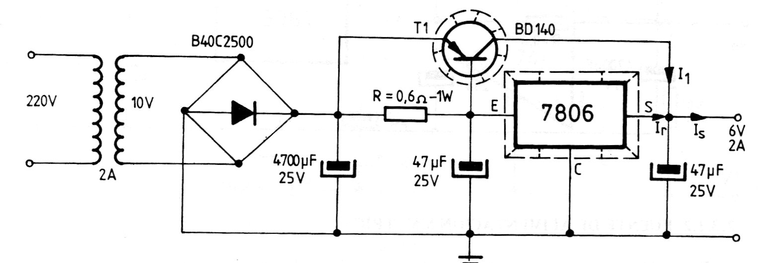
In the figure we have a circuit that allows to increase the maximum current from a 78xx to more than 1 A, which is its specified current. The transistor determines this current, which can be the TIP42 for currents up to 3 A. The transformer must have the current desired at the output and both the transistor and the integrated circuit must be mounted on heat radiators.




