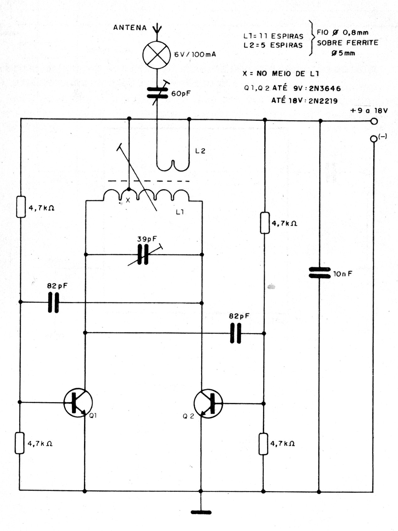
This transmitter circuit for the 11-meter range was found in a 1990s spy book. The circuit supports equivalent types of transistors and is powered by voltages from 9 to 16 V. Details of the coils are given next to the diagram.
This transmitter circuit for the 11-meter range was found in a 1990s spy book. The circuit supports equivalent types of transistors and is powered by voltages from 9 to 16 V. Details of the coils are given next to the diagram.