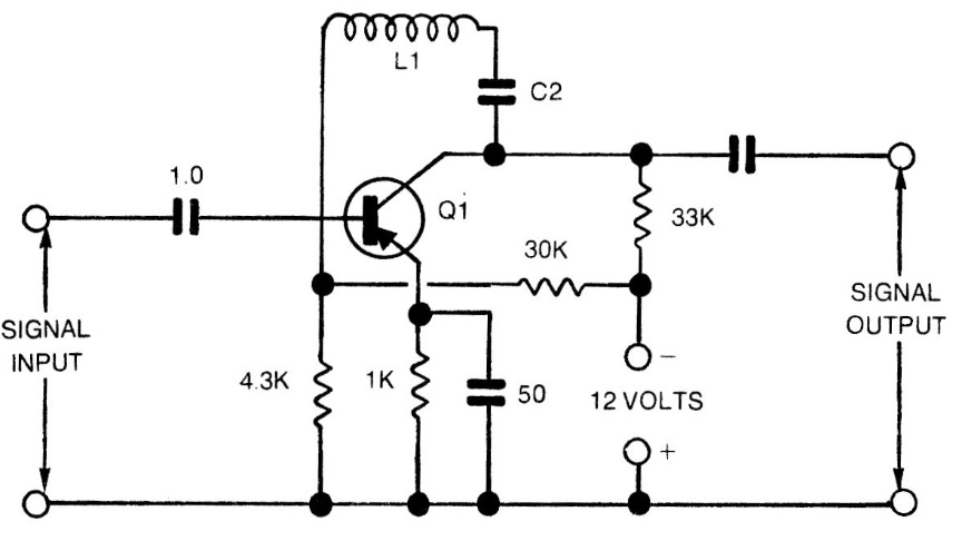
This LC step with only one general-purpose PNP transistor, was found in an American documentation from the 1980s. The rejected center frequency is determined by the LC circuit. The power supply, depending on the transistor, can be made with voltages from 6 to 12 V.




