This amplifier for instrumentation with very high input impedance was found in a manual of JFET circuits. The operational ones used are current and the power supply must be symmetrical.
Emitt This crystal-controlled oscillator can generate signals from 100 kHz to over 30MHz. The...
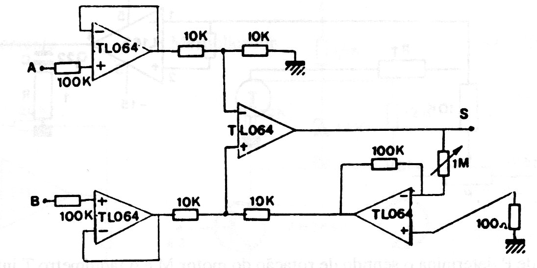
This circuit was found in documentation from the 90s. The components used are not common today. The...
This circuit was obtained in the National Semiconductor Linear Applications Handbook of 1994. The...