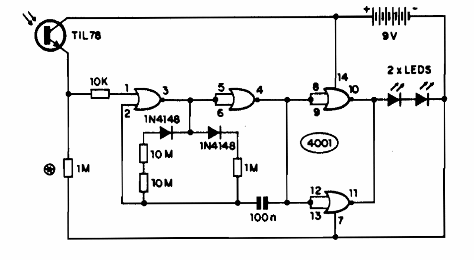
We found this CMOS circuit in a publication from the 1980s. What this circuit does is to flash two LEDs at dusk, serving as a beacon or simply as decoration. The 9 V power supply can be made with a battery due to the low consumption.
We found this CMOS circuit in a publication from the 1980s. What this circuit does is to flash two LEDs at dusk, serving as a beacon or simply as decoration. The 9 V power supply can be made with a battery due to the low consumption.