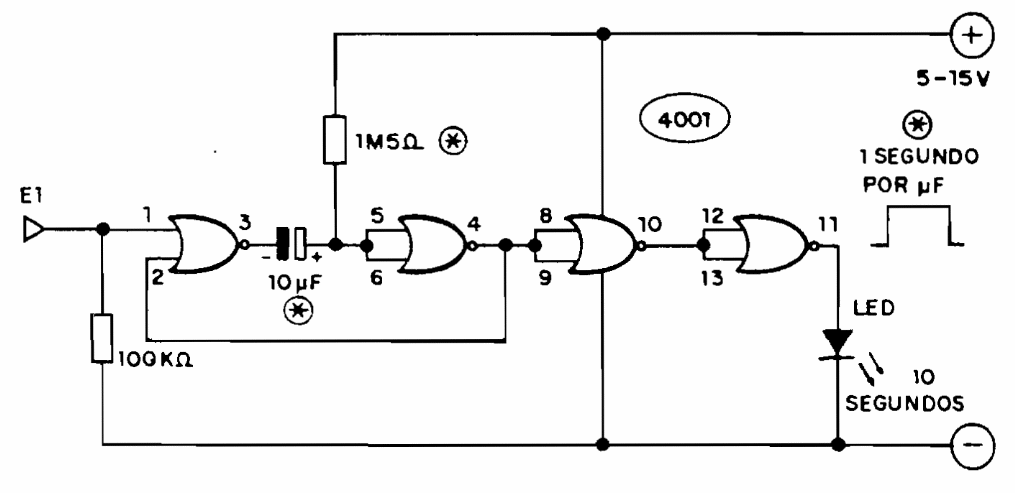
This experimental monostable CMOS circuit, activating an LED was found in a documentation from the 1980s. It is recommended to connect in series with the LED a limiting resistor of 470 ohms or more.
This circuit uses an unusual electromechanical component: a mechanical blade resonator. The...
This circuit from a Japanese publication in 1968 uses germanium transistors from the time like the...
Found in a 90s Electronic Design, this circuit can provide a relatively high-power output. The basic...