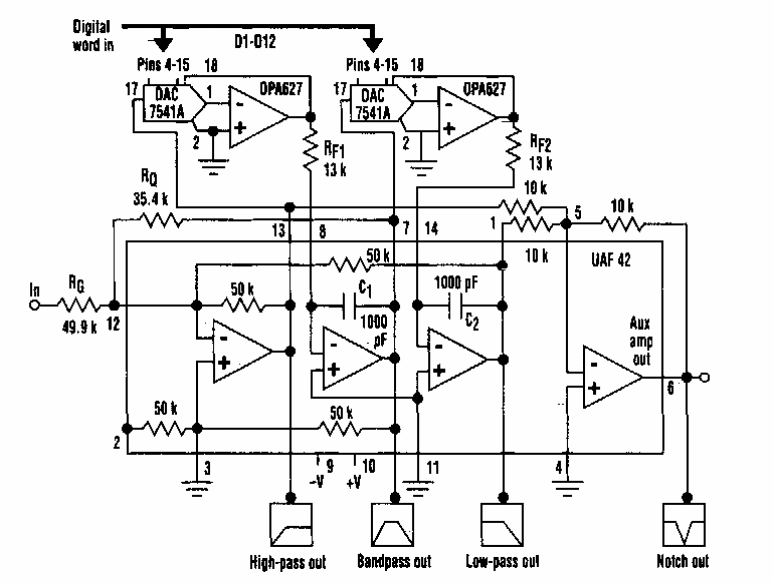
This circuit was found in an Electronic Design. The circuit can be programmed to operate in different frequency ranges with the indicated characteristics. The IC component is uncommon today.
The circuit shown in the figure is the version activated at the low level, of the previous circuit...
This circuit uses in operational amplifier to produce square and triangular low frequency signals....
This circuit generates quadrature signals in frequency that depend on the 18 pF capacitors. These...