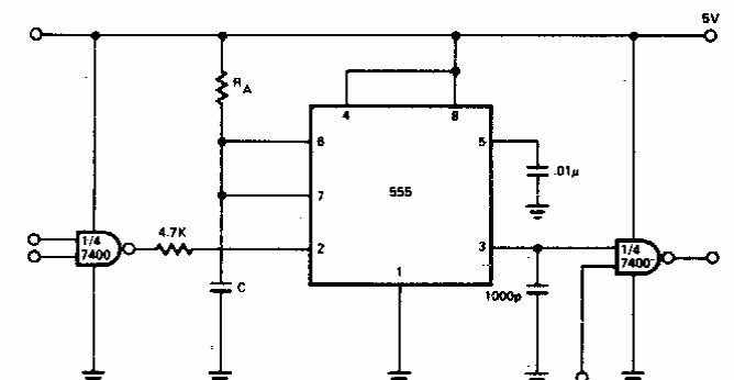
This circuit, which can be used as a shield, has its time determined by RA and C connected at the input of the 555.
We found this circuit in the April 1975 Radio Electronics magazine. The circuit has a latch and...
We found this sophisticated home alarm in a 1994 documentation. The circuit supports sensors of...
This circuit was found in the 1991 Electronics Experimenter's Handbook. It activates a relay when...