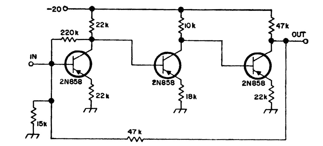
This circuit was found in a 1975 documentation. Current general-purpose transistors can be used, and the power is supplied with relatively high voltage. The gain is 30 dB.
The 78XX series voltage regulator integrated circuits do not support an input voltage greater than...
This is the complete circuit of a multimeter using a 50 uA instrument with a 2k coil. The circuit...
This circuit came out in a Popular Electronics from December 1995. It is a double T configuration that...