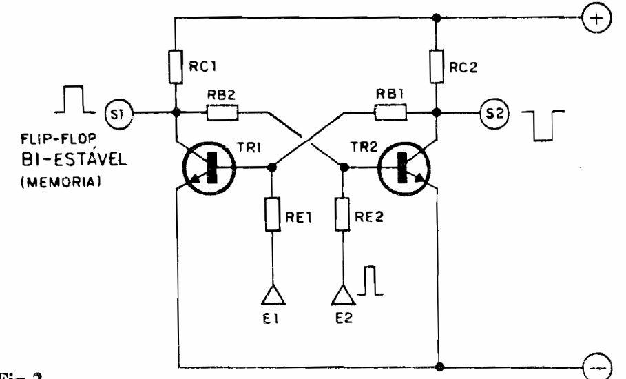
This circuit that appears in several versions in this section and on this website was found in documentation from the 1980s. The transistors can be of any general purpose NPN type like the BC548.
We found this circuit in the On Semiconductor thyristor manual. He makes use of a triac and a PUT....
This 80's circuit uses a light-sensitive SCR or LASCR and a one-sided silicon switch SUS, uncommon...
Using an RCA CA3018 as a base, this circuit has a sensitivity of 2 Mohms per volt. The circuit is from a...