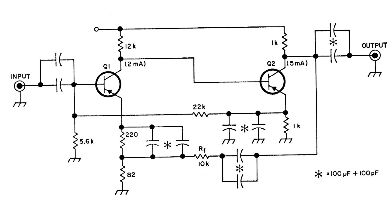
This amplifier can amplify signals from 10 Hz to 17 MHz with more than 30 dB of gain. The circuit is from 1985 documentation and equivalent transistors such as 2N2222 can be used since the original types are no longer easily found.
This amplifier can amplify signals from 10 Hz to 17 MHz with more than 30 dB of gain. The circuit is from 1985 documentation and equivalent transistors such as 2N2222 can be used since the original types are no longer easily found.