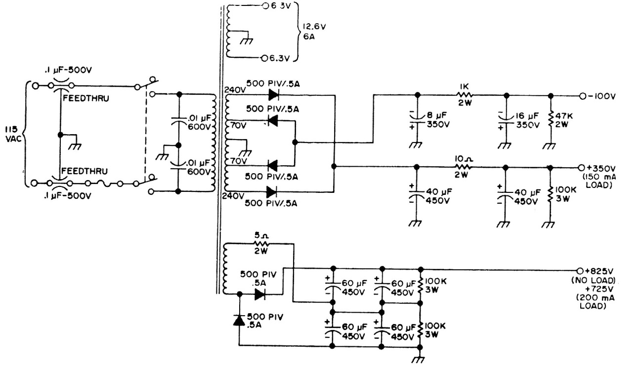
This source is indicated for the supply of high-power valve circuits and other types that require high voltages. The transformer has multiple windings, two of which are high voltage and one for supplying valve filaments. The diodes are high voltage and high current types.




