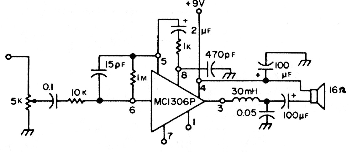
This amplifier uses a 1975 integrated circuit, which is uncommon today. The circuit has a gain of 30 dB and uses a transformer-less output with 9 V power.
The 78XX series voltage regulator integrated circuits do not support an input voltage greater than...
This is the complete circuit of a multimeter using a 50 uA instrument with a 2k coil. The circuit...
This circuit came out in a Popular Electronics from December 1995. It is a double T configuration that...