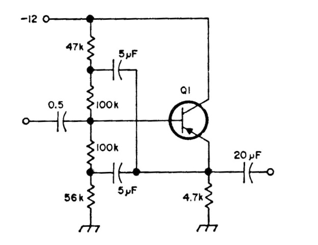
This amplifier has an input impedance of 20 M ohms. We found it in documentation from the 1980s. The transistor can be any PNP of RF and even an NPN if we invert the power.

This amplifier has an input impedance of 20 M ohms. We found it in documentation from the 1980s. The transistor can be any PNP of RF and even an NPN if we invert the power.
